用于丝饼成型
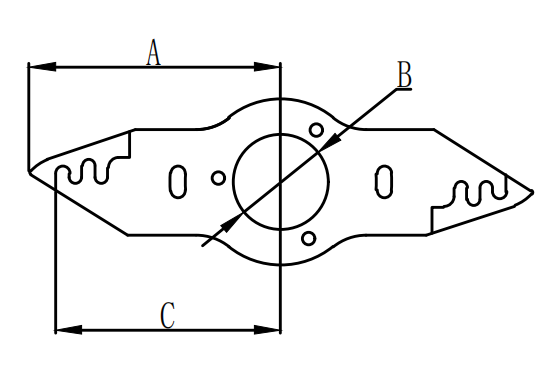
| 品名 | 拨叉 |
| 型号 | S-1117(圆芯) |
| 计算机号 |
|
| 材料 | 铝合金 |
| 适用产品 | |
| 尺寸 | B:28mm, C:127mm |
| 重量 | 15g |

春满申城,盛会启幕。3月11日至13日,备受行业瞩目的2026 中国国际纺织纱线(春夏)展览会在国家会展中心(上海)隆重举办。本届展会展览面积达27000平方米...
查看详情几十年来,塑料大多来自石油。但现在,新一代材料正在崛起——它们来自玉米、细菌,甚至我们的身体。欢迎来到生物基与可生物降解聚合物的世界。1. 从玉米到衣服:聚乳酸...
查看详情提到“尼龙”,很多人首先想到的是丝袜。但在材料科学的世界里,尼龙只是一个庞大“家族”——聚酰胺(PA)——中出名的一员。聚酰胺,是指主链上含有酰胺基团(-CO-...
查看详情你是否想过,衣服被丢弃后会变成什么?答案很大程度上取决于它们的“出身”——也就是由哪种聚合物制成。根据它们对环境的影响,纺丝原料主要分为两大类:不可生物降解和可...
查看详情春暖沪城,万象更新,全球纺织行业的目光再度聚焦上海。备受瞩目的 2026 中国国际纺织纱线(春夏)展览会(yarnexpo),将于3月11日在上海盛大启幕。 嘉...
查看详情喜迎●新春 金马迎春 新年快乐 玉马扬蹄踏春至, 祥光满院福运开。 嘉兴胜邦机械设备有限公司 嘉兴胜邦科技有限公司 愿您在新的一年里, 事业蒸蒸日上,生活...
查看详情